北极星环境修复网获悉,5月11日,广东省生态环境厅 广东省自然资源厅更新建设用地土壤污染风险管控和修复名录(4月),根据建设用地土壤污染风险评估情况,将揭阳市的惠来县葵铿皮草二厂、广州市海珠区南边路6号地块共2个地块纳入名录。根据建设用地土壤污染风险管控和修复效果评估情况,将广州市的白云区黄金围货运站地块、广东农垦南沙西部工业区工业四路地块、宏昌电子材料股份有限公司地块共3个地块移出名录。
广东省生态环境厅 广东省自然资源厅关于更新建设用地土壤污染风险管控和修复名录的通知
各地级以上市生态环境、自然资源主管部门,各有关单位:
按照《中华人民共和国土壤污染防治法》《广东省实施〈中华人民共和国土壤污染防治法〉办法》《广东省生态环境厅办公室广东省自然资源厅办公室关于转发建设用地土壤污染状况调查、风险评估、风险管控及修复效果评估报告评审指南的通知》《关于委托广州、深圳市组织建设用地土壤污染风险管控和修复有关报告评审工作的通知》有关要求,结合近期土壤污染风险评估、风险管控及修复相关报告评审情况(截至2022年4月24日),以及《建设用地土壤污染风险管控和修复名录及修复施工相关信息公开工作指南》精神,省生态环境厅、自然资源厅联合更新了广东省建设用地土壤污染风险管控和修复名录(以下简称“名录”),现就有关事项通知如下:
一、纳入名录地块
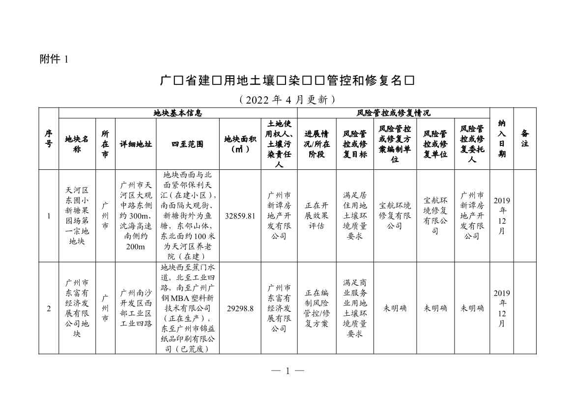
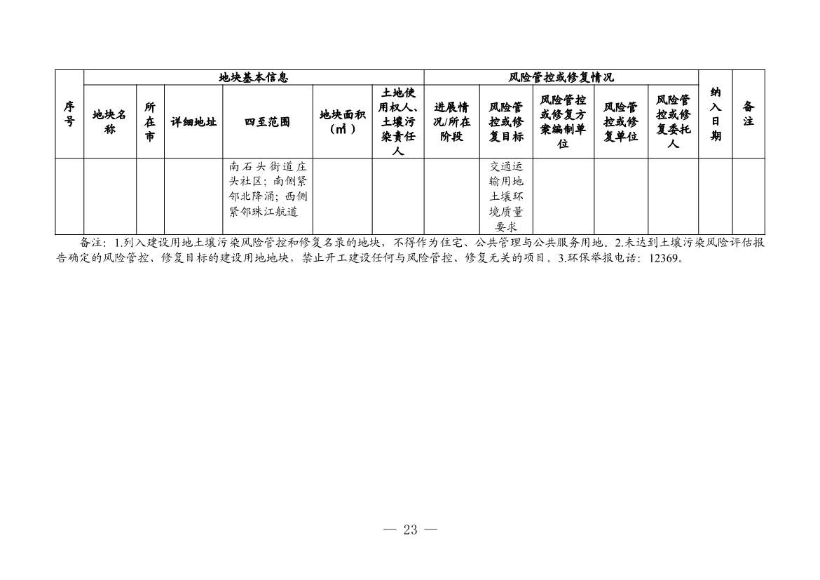
根据建设用地土壤污染风险评估情况,将揭阳市的惠来县葵铿皮草二厂、广州市海珠区南边路6号地块共2个地块纳入名录。
二、移出名录地块
根据建设用地土壤污染风险管控和修复效果评估情况,将广州市的白云区黄金围货运站地块、广东农垦南沙西部工业区工业四路地块、宏昌电子材料股份有限公司地块共3个地块移出名录。
三、有关要求
(一)土地使用权人、土壤污染责任人应落实《中华人民共和国土壤污染防治法》《广东省实施〈中华人民共和国土壤污染防治法〉办法》有关规定:
1.列入名录的地块,不得作为住宅、公共管理与公共服务用地。未达到土壤污染风险评估报告确定的风险管控、修复目标的建设用地地块,禁止开工建设任何与风险管控、修复无关的项目;
2.按照国家有关规定以及土壤污染风险评估报告要求,采取相应的风险管控措施,并定期向地方人民政府生态环境主管部门报告;
3.移出名录后需要实施后期管理的地块,按照相关要求实施后期管理(后期管理要求详见广东省建设用地污染地块信息系统)。
(二)有关地级以上市生态环境、自然资源主管部门应在各自职责范围内监督土地使用权人、土壤污染责任人依法落实有关要求,对名录内的地块做好风险管控工作,严防违法违规开发利用,对已移出名录的地块实施后期管理工作进行监管。
附件:1. 广东省建设用地土壤污染风险管控和修复名录(2022年4月更新)
2. 广东省建设用地土壤污染风险管控和修复名录移出清单(2022年4月更新)
3. 广东省地下水污染场地清单(2022年4月更新)









































