湖北省经信厅办公室发布关于征求《湖北省绿色制造梯度培育及管理实施细则》意见的函,绿色制造梯度培育及管理遵循企业主体、政府引导、标准引领的原则,以绿色工厂培育为基础,以绿色工业园区、绿色供应链管理企业培育为支撑,引导第三方机构提供专业化服务,激发企业绿色制造的内生动力,发挥绿色制造标杆示范带动作用,推动行业、区域绿色低碳转型升级。
省经信厅办公室关于征求《湖北省绿色制造梯度培育及管理实施细则》意见的函
各市、州、直管市、神农架林区经信局、厅有关处室、有关单位:
为贯彻落实《“十四五”工业绿色发展规划》、《工业领域碳达峰实施方案》等文件精神,加快构建绿色制造和服务体系,发挥绿色工厂在制造业绿色低碳转型中的基础性和导向性作用,加快形成规范化、长效化培育机制,根据《工业和信息化部关于印发〈绿色工厂梯度培育及管理暂行办法〉的通知》(工信部节〔2024〕13号,我们编制了《湖北省绿色制造梯度培育及管理实施细则》(征求意见稿),现送你们研提意见,请于2024年3月9日前反馈我厅(节能处)。
联系方式:王彦 027-87236535
邮箱:jienengchu2020@163.com
附件:《湖北省绿色工厂梯度培育及管理实施细则》(征求意见稿)
湖北省经济和信息化厅办公室
2024年3月5日
湖北省绿色制造梯度培育及管理实施细则
(征求意见稿)
第一章 总则
第一条根据《工业和信息化部关于印发〈绿色工厂梯度培育及管理暂行办法〉的通知》(工信部节〔2024〕13号,以下简称《暂行办法》),为加快构建绿色制造和服务体系,形成规范化、长效化培育机制,打造绿色制造领军力量,结合我省实际,制定本实施细则。
第二条国家、省、市层面绿色工厂、绿色工业园区、绿色供应链管理企业创建统称绿色制造创建。被认定国家、省、市层面绿色工厂、绿色工业园区、绿色供应链管理企业的单位可纳入相应层级绿色制造名单,统称为绿色制造名单单位。
第三条 绿色工厂是绿色制造的核心单元,绿色工厂梯度培育是指从以下两个维度建立培育机制:纵向形成国家、省、市三级联动的绿色工厂培育机制;横向形成绿色工业园区、绿色供应链管理企业带动园区内、供应链上下游企业创建绿色工厂的培育机制。
第四条本办法适用于湖北省行政区域内绿色制造梯度培育、管理和创建。
第五条绿色制造梯度培育及管理遵循企业主体、政府引导、标准引领的原则,以绿色工厂培育为基础,以绿色工业园区、绿色供应链管理企业培育为支撑,引导第三方机构提供专业化服务,激发企业绿色制造的内生动力,发挥绿色制造标杆示范带动作用,推动行业、区域绿色低碳转型升级。企业和园区参与绿色制造梯度培育、创建和申报均遵循自愿原则,按照“谁推荐、谁把关,谁审核、谁管理”方式统筹开展。
第六条 湖北省经济和信息化厅(以下简称“省经信厅”)依据《暂行办法》和本办法负责全省绿色制造梯度培育工作的宏观指导、统筹协调和管理,推动相关政策落实,负责认定省层面绿色制造名单和推荐申报国家层面绿色制造名单;市、州、直管市、神农架林区经信局(以下简称“市(州)经信部门”)负责本地区绿色制造培育机制建设、市级绿色制造名单认定、上级绿色制造名单推荐申报、辖区绿色制造名单单位日常管理。
第七条 按照有关文件要求,工业节能与绿色发展管理平台(https://green.miit.gov.cn/,以下简称平台)为开展绿色制造梯度培育、申报、审核、管理的统一平台。平台由工信部负责建设运维管理,省经信厅和各市(州)、县(市、区)经信部门分别拥有管理账号、工作账号及相应权限。申报单位须注册登录平台按要求逐级提交相应的申报材料,申报单位对平台提交资料的真实性和准确性负责。
第二章 培育要求
第八条市(州)、县(市、区)经信部门应将本地区具备培育条件且有提升潜力的企业、工业园区列为培育对象,制定培育计划,引导和支持培育对象对照绿色工厂、绿色工业园区和绿色供应链管理企业相关标准要求,鼓励实施绿色化改造升级,持续完善绿色制造基础条件。
第九条 绿色工厂培育对象应符合以下条件:
(一)依法设立并具有独立法人资格或者视同法人的独立核算单位,且从事实际生产的制造型企业;
(二)符合本办法第十七条第一款相关标准要求。
第十条 绿色工业园区培育对象应符合以下条件:
(一)具有法定边界和范围、具备统一管理机构的工业园区,且以产品制造和能源供给为主要功能,工业增加值占比超过50%;
(二)发布园区绿色工厂培育计划,组织园区内企业开展绿色工厂创建;
(三)符合本办法第十七条第二款相关标准要求。
第十一条 绿色供应链管理企业培育对象应符合以下条件:
(一)依法设立并具有独立法人资格或者视同法人的独立核算单位,是行业影响力大、经营实力雄厚、产业链完整、绿色供应链管理基础好、在产业链发挥主导作用的企业,积极创建绿色工厂;
(二)制定供应商绿色工厂培育计划,推动供应商开展绿色工厂创建;
(三)符合本办法第十七条第三款相关标准要求。
第十二条 市(州)经信部门结合本地实际有序组织开展本地区绿色制造梯度培育工作。拟开展市级及以上层面绿色制造创建的单位应对照培育要求结合本单位实际情况制定创建计划并在申报年度向所在市(州)经信部门提出创建申请。经市(州)经信部门审核符合培育要求的可按拟创建层次纳入相应层面培育计划,于每年3月底前将本地区年度培育计划(含市、省、国家层面)汇总报省经信厅备案。
第三章 创建程序
第十三条 纳入年度培育计划的创建单位可采取自评价或委托具备评价能力的第三方机构开展评价的方式,编写评价报告后按属地原则向所在市(州)经信部门进行自愿申报。采取第三方评价方式的,第三方机构对所出具评价报告的真实性和准确性负责;采取自评价方式的,申报单位对自评价报告的真实性和准确性负责。第三方评价报告或自评价报告流程和模板按《暂行办法》相关规定执行。
第十四条市(州)经信部门依据收到的申报资料进行资料审核、现场核实及征求当地生态环境、应急管理、市场监管等主管部门意见,对符合有关评价要求的进行公示及认定。推荐申报省层面绿色制造名单的原则上应先纳入市层面绿色制造名单。已认定的省层面绿色制造名单单位(同一类别)不重复推荐申报,符合条件的可推荐申报国家层面绿色制造名单。
第十五条 对申报省、国家层面绿色制造名单的单位,市(州)经信部门应在资料初审把关、现场核实及征求当地生态环境、应急管理、市场监管等主管部门意见后出具推荐意见,按要求向省经信厅汇总报送本地区推荐单位的申报资料,通过平台逐级审核上报。
第十六条省经信厅委托第三方机构或组织专家对市(州)经信部门推荐上报的申报资料进行评审,对符合要求的择优确定年度省级绿色制造公示名单,并在省经信厅网站公示5个工作日,公示无异议的纳入省级绿色制造名单由省经信厅公布。
第十七条省级绿色工厂、绿色工业园区、绿色供应链管理企业的创建评价按对应国家标准执行:
(一)绿色工厂依据工信部定期发布的绿色工厂创建的标准清单(详见工信部网站),已纳入清单的行业按照相应标准进行评价,不在清单范围的行业依据《绿色工厂评价通则》(GB/T 36132)进行评价。工业重点领域优先推荐能效水平达到国家有关部门发布的标杆水平的工厂,其他行业优先推荐达到相应国家能源消耗限额标准先进值或1级水平的工厂。
(二)绿色工业园区依据《暂行办法》规定的《绿色工业园区评价要求》。推荐的园区应为省级及以上工业园区。
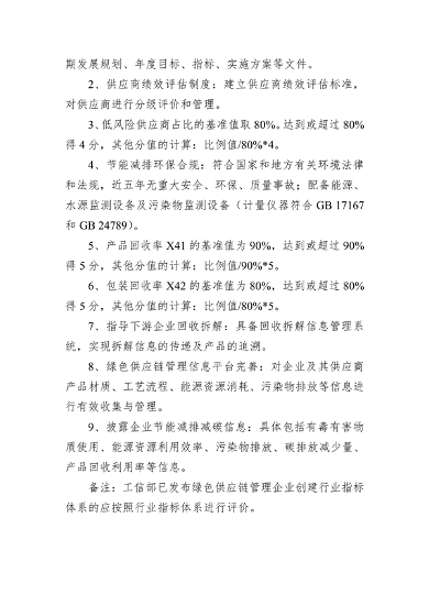
(三)绿色供应链管理企业依据工信部定期发布的绿色供应链管理企业创建的行业指标体系(详见工信部网站)。已发布行业指标体系的按照指标体系进行评价,未发布的行业依据《暂行办法》规定的《绿色供应链管理企业评价要求》进行评价。推荐的企业原则上应为省级及以上层面绿色工厂。
(四)省级绿色工厂、绿色工业园区、绿色供应链管理企业等绿色制造名单认定要求按相关标准对申报材料审核符合评价标准要求且原则上评分应在85分及以上。市级经信部门可参考上述标准,也可结合本地区实际适当调整要求,确定市层面绿色制造创建评价要求。
第十八条国家级绿色工厂、绿色供应链管理企业、绿色工业园区创建申报推荐按照《暂行办法》及工信部相关文件要求进行。省经信厅根据国家绿色制造名单申报推荐具体要求,从湖北省绿色制造名单单位中择优推荐参加国家层面评选。
第十九条 近三年有下列情况的企业或园区,不得申请、推荐和列入绿色制造名单:
(一)未正常经营生产的(工商注销、连续停产12个月以上、被市场监督管理部门列入经营异常名单且未被移出等);
(二)发生安全(含网络安全、数据安全)、质量、环境污染等事故以及偷漏税等违法违规行为的(参照“信用中国”和“国家企业信用信息公示系统”);
(三)被动态调整出绿色制造名单的;
(四)在国务院及有关部委相关督查工作中被发现存在严重问题的;
(五)被列入工业节能监察整改名单且未按要求完成整改的;
(六)企业被列为失信被执行人。
第四章 动态管理
第二十条 对绿色制造名单单位实施动态跟踪。国家、省、市层面绿色制造名单单位应每年3月底前通过平台填报动态管理表(以平台规定格式为准),向所在市(州)经信部门报告年度绿色制造关键指标情况,市(州)经信部门审核后将本地区动态管理情况报送省经信厅。动态管理中发现本章节有关异常情况,市(州)经信部门应在现场核实确认后对市层面绿色制造名单进行调整,涉及国家、省层面绿色制造名单的还应在每年动态管理时将调整意见汇总上报。发布年度绿色制造名单时对调整情况予以公告。
第二十一条 市(州)、县(市、区)经信部门按照属地管理原则对本地区纳入绿色制造名单单位开展指导、监督、检查,跟踪和分析创建成效,省级部门不定期进行现场抽查复核,如有重大及以上生产安全和质量事故、Ⅱ级(重大)及以上突发环境污染事件的实时报告上级经信部门。
第二十二条 绿色制造名单中的企业或园区存在以下情形的,予以移出并进行公告:
(一)第十九条中所提到情况;
(二)拒不按时填报动态管理表;
(三)所提交材料或数据存在造假等问题;
发生重大及以上生产安全和质量事故、Ⅱ级(重大)及以上突发环境污染事件的,及时从各层面绿色制造名单移出。
第二十三条 绿色制造名单单位如发生名称变更或因投资、并购等原因造成实际生产经营范围、生产地址、组织边界与列入时发生重大变更的,应在填报动态管理表时予以说明。所在地市(州)经信部门对企业或园区提交的变更说明进行复核确认,变更后不再符合相关标准的从本层面绿色制造名单中移出。
第二十四条 第三方评价机构应满足工信部《暂行办法》中绿色制造第三方评价工作要求。县(市、区)、市(州)经信部门应加强对在本地区开展业务第三方机构的监督管理,发现问题及时上报。经查实在评价过程中存在弄虚作假或故意隐瞒评价对象问题的第三方机构三年内不予采信其所出具的评价结果。参与国家层面申报第三方评价工作的,同一法定代表人的第三方机构每年度开展的国家层面绿色制造评价项目(包括绿色工厂、绿色工业园区、绿色供应链管理企业)总计不得超过15项。
第二十五条 任何组织或个人可针对绿色制造名单单位和第三方机构相关信息真实性、准确性等方面存在的问题,向相关工业和信息化主管部门实名举报,并提供佐证材料和联系方式。对受理的举报内容,相关工业和信息化主管部门应及时进行核实,经核实确认存在所举报事项的,视情节轻重要求进行整改或按本办法第二十二条要求从绿色制造名单移出,第三方机构存在所举报事项的按本办法第二十四条规定处理。
第五章 配套机制
第二十六条 对国家层面认定的绿色制造名单单位,省经信厅结合实际列入省级高质量发展等支持范围,对符合支持条件、方向和范围的按专项资金具体规定给予一次性资金奖励。鼓励市(州)、区(县)结合实际制定出台本地区对绿色制造的扶持和奖励政策。各地经信部门应联合有关部门依法依规积极运用财政、产业、土地、规划、金融、税收、用能等政策,持续提升绿色制造水平。
第二十七条 参与绿色制造梯度培育和创建的第三方机构应加强自身能力建设和专业人员培养,主动向培育对象宣贯绿色制造相关理念和要求,推广先进成熟经验,深入挖掘绿色发展工作亮点和潜在改进空间,提出合理化提升建议,跟踪培育对象绿色发展过程的需求,提供绿色制造系统解决方案和持续性技术服务。
第二十八条 绿色制造名单单位应积极通过公开渠道展示宣传绿色制造先进技术和典型做法,按照生态环境部门相关规定要求披露环境信息,发挥先进示范引领带动作用。鼓励绿色工厂编制绿色低碳发展报告,绿色工业园区制定绿色工厂支持政策,绿色供应链管理企业加大绿色工厂产品采购力度。
第六章附则
第二十九条 本办法由省经信厅负责解释。
第三十条 工信部绿色工厂梯度培育及管理有关政策标准修订调整的,按照工信部要求执行。
第三十一条本办法自发布之日起实施。


































