4月2日,财政部、工业和信息化部发布关于开展制造业新型技术改造城市试点工作的通知,其中提到,支持推动石化化工等原材料行业老旧装置综合技改,加快淘汰超期服役的落后低效设备,提升行业数字化、绿色化和本质安全水平。
财政部 工业和信息化部关于开展制造业新型技术改造城市试点工作的通知
财建〔2024〕16号
各省、自治区、直辖市财政厅(局)、工业和信息化主管部门,新疆生产建设兵团财政局、工业和信息化局:
为深入贯彻党中央、国务院决策部署,财政部、工业和信息化部(以下统称两部门)拟组织开展制造业新型技术改造城市试点工作。现将有关事项通知如下。
一、总体要求
(一)指导思想。以习近平新时代中国特色社会主义思想为指导,深入贯彻党的二十大精神,全面落实中央经济工作会议、中央财经委员会第四次会议、全国新型工业化推进大会部署以及政府工作报告关于“实施制造业技术改造升级工程”要求,发挥中央财政资金引导作用,大力推进“智改数转网联”新技改,打造一批重大示范项目,促进企业设备更新、工艺升级、数字赋能、管理创新,推动传统产业转型升级,提高制造业高端化、智能化、绿色化发展水平,为巩固和增强经济回升向好态势,加快培育新质生产力、推进新型工业化提供有力支撑。
(二)支持对象。申报城市原则上应为地级市及以上城市,包括各省(区)的省会城市、计划单列市、地级市(州、盟),直辖市所辖区(县),以及新疆生产建设兵团(以下简称兵团)。鼓励地方与中央企业联合申报。适当考虑东、中、西、东北地区发展基础差异,统筹合理布局。
二、支持内容
支持城市采用“点线面”结合的方式组织示范项目,“点”上开展数字化智能化改造示范、“线”上开展产业链供应链数字化协同改造示范、“面”上开展产业集群及科技产业园区数字化绿色化改造示范,加快数智技术、绿色技术以及创新产品推广应用。
(一)“点”上数字化智能化改造。
1.打造智能工厂。支持企业内外网改造升级,加快应用5G、工业互联网、人工智能等新一代信息技术,开展“哑”设备改造,部署数控机床、工业机器人、智能检测装备、智能物流装备、智能控制装备等智能制造装备,推进制造单元、加工中心、产线等全业务流程数字化改造,建设智能工厂。探索柔性生产、共享制造、虚拟制造等新业态和基于人工智能的智能制造新模式。支持开展数字化绿色化协同改造,加快绿色低碳技术、工艺、装备应用,建设绿色工厂。
2.老旧设备更新改造。支持推动石化化工等原材料行业老旧装置综合技改,加快淘汰超期服役的落后低效设备,提升行业数字化、绿色化和本质安全水平。
(二)“线”上产业链供应链协同数字化改造。
3.提升产业链供应链韧性。围绕产业链重点环节提质升级,重点支持链主企业、龙头企业制定产业链上下游协同技术改造方案,联合10家以上配套企业同步实施技术改造。支持链主企业、龙头企业建设智慧供应链、绿色供应链,开放数字系统接口,引导供应链企业接入,在研发设计、生产制造、仓储物流、经营管理、回收利用等环节实现企业间高效协同。
4.形成重点行业典型场景解决方案。支持链主企业、龙头企业依托技术优势和自身改造经验,联合工业软件企业、智能装备企业等编制数字化专用工具、典型场景建设方案、系统解决方案等。构建智能制造、绿色制造、工业互联网等解决方案资源池,向上下游企业共享解决方案和工具包,实现“一次开发、行业复用”。
(三)“面”上产业集群、科技产业园区整体数字化改造。
5.支持先进制造业集群核心承载园区、高新区等科技产业园区聚焦主导产业,组织重点企业开展数字化技术改造示范项目建设,引导园区内其他企业“看样学样”实施技术改造。鼓励科技产业园区建设5G、数据中心、工业互联网、算力等基础设施,推进人工智能工业大模型垂直应用,构建集成互联、智能绿色的数字基础设施。建设数字化转型能力中心,培育数字化转型专业化服务商,为企业技术改造提供评估诊断、场景培育、技术验证等公共服务。
三、申报要求
(一)具备良好基础。申报城市应具有较好的工业经济发展基础、主导产业突出、工业投资和技术改造投资实现较快增长,具备龙头企业引领、重大项目集聚、示范带动性强等特征。
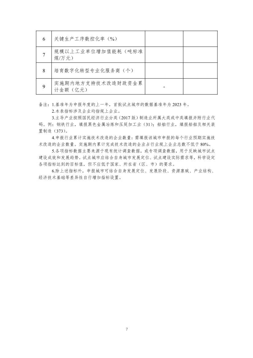
(二)聚焦重点行业。申报城市应在制造业中选择3个左右主导行业作为技术改造重点,实施期内累计开展数字化技术改造的规上企业占比应达到80%以上。选取的行业应符合国家区域战略发展规划和产业导向,体现本地区产业基础和特色优势,具有产值规模较大、产业集聚度较高等特征。
(三)明确重点企业重点项目。申报城市应在确定的技术改造重点行业中,选择链主企业、龙头企业和处于产业链关键环节的企业,选择技术水平高、具有示范带动作用的标志性重大项目作为支持对象,提出重点项目清单。每个行业至少包含一家链主企业或龙头企业,每个城市至少包含一个投资规模超5亿元的标志性重大项目。重点项目实施后,形成一批行业内标准化的数字化转型等解决方案。
(四)加强政策协同。申报城市应建立健全支持企业技术改造政策体系,完善工作机制,探索出台针对性强、实用性高、精准有效的支持政策,加强央地财政政策协同和金融政策协同,强化政策宣传、资源对接、评估诊断、平台支撑等公共服务能力,为企业实施技术改造创造良好环境。
四、资金支持
(一)资金分配。中央财政对入选城市给予定额奖励。按照每个入选城市不超过3亿元下达奖补资金,试点实施期第一年拨付50%奖补资金,实施期满考核评价通过后拨付其余50%奖补资金。
(二)资金使用。奖补资金由入选城市用于支持企业技术改造项目,支持方式由地方确定,包括投资补助、贷款贴息、担保费补贴等,对单个项目的支持资金最高不超过项目总投资的20%,已获得国家财政资金支持的项目不得重复支持。基础设施建设、公共服务平台建设、服务商培育等项目原则上由地方支持。入选城市应确保专项资金专款专用,不得用于财政供养单位人员福利、公用经费、机构运转经费等支出,不得用于楼堂馆所等基建工程支出,不得用于平衡本级预算。
五、组织实施
(一)组织申报。由省级工业和信息化、财政部门组织城市申报。申报城市应编制实施方案,实施期为2-3年,应包括工作基础、工作目标、实施内容、项目总体情况、资金使用方向、考核指标、保障措施、其他材料及项目清单等内容,并附相关证明材料(参考附件)。
(二)初审推荐。省级工业和信息化、财政部门负责审核申报材料,择优选定拟申报城市,并向工业和信息化部、财政部报送推荐函。每个省、自治区最多推荐1个地级城市(计划单列市、兵团不占用名额),直辖市最多推荐1个所辖区(县)。已被两部门纳入试点范围的城市在后续年度中不再重复申报。申报资料由省级工业和信息化、财政部门将加盖公章的纸质版和PDF版(光盘刻录)各一式两份,于2024年4月24日前报送工业和信息化部、财政部。
(三)方案遴选。工业和信息化部、财政部组织专家开展竞争性评审,采用书面评审和现场评审结合的方式。书面评审主要审查申报材料的真实性、完整性、科学性,以及申报内容是否符合国家战略和地方实际,提出的工作目标、政策保障等是否切实可行,重点项目清单是否符合要求等。现场评审主要组织申报城市开展现场答辩。根据评审结果,初步确定入选城市名单,并对实施方案提出修改完善建议。
(四)方案批复。根据评审结果提出入选城市建议名单,经工业和信息化部、财政部审核并公示无异议后,确定为当年入选城市名单。工业和信息化部对修改完善后的实施方案予以批复,财政部下达奖补资金。入选城市应严格按照批复的实施方案开展工作,如调整需省级工业和信息化、财政主管部门批准同意,并报工业和信息化部、财政部备案。
(五)绩效评价。省级工业和信息化、财政部门应当强化绩效目标管理,做好绩效运行监控,指导试点城市分年度开展绩效自评。两部门将加强绩效管理,督促省级工业和信息化、财政部门开展绩效目标管理、绩效运行监控、绩效评价和结果应用等工作,将绩效评价结果与资金拨付挂钩。省级工业和信息化、财政部门于实施期结束后对试点城市开展绩效评价,形成绩效评价结果,报工业和信息化部、财政部确认。工业和信息化部根据试点工作推进情况及绩效评价结果等提出财政资金安排建议,财政部根据资金安排建议确定下达奖补资金;对于评价结果较差的,将视情况严重程度采取督促整改、暂停试点资格、收回奖补资金等处罚措施。
附件:202X年XX市(区)制造业新型技术改造城市试点实施方案(模板)
财政部 工业和信息化部
2024年3月21日








