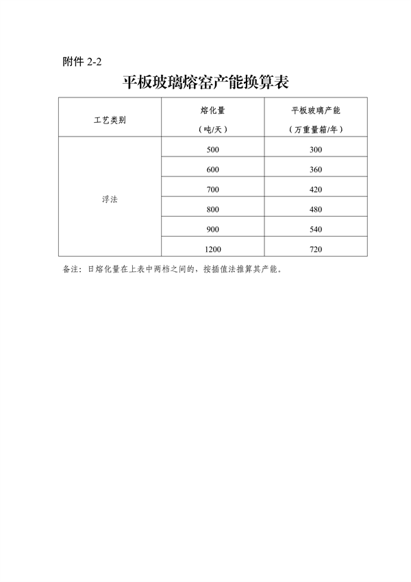
浙江省经济和信息化厅发布《浙江省水泥玻璃行业产能置换实施细则》,产能置换比例为:(一)通用水泥熟料退出产能与建设产能的置换比例不低于2: 1,平板玻璃退出产能与建设产能的置换比例不低于1.25: 1。(二)新建白色硅酸盐水泥熟料项目,其产能指标可减半,但新建白色硅酸盐水泥熟料项目产能不能再置换为通用。水泥和其它特种水泥熟料指标;其它特种水泥产能置换比例与通用水泥熟料相同。














浙江省经济和信息化厅发布《浙江省水泥玻璃行业产能置换实施细则》,产能置换比例为:(一)通用水泥熟料退出产能与建设产能的置换比例不低于2: 1,平板玻璃退出产能与建设产能的置换比例不低于1.25: 1。(二)新建白色硅酸盐水泥熟料项目,其产能指标可减半,但新建白色硅酸盐水泥熟料项目产能不能再置换为通用。水泥和其它特种水泥熟料指标;其它特种水泥产能置换比例与通用水泥熟料相同。













