四川省经济和信息化厅发布《四川省焦化行业产能置换实施细则》,其中提出全省严禁违规新增焦化产能。严格落实《四川省、重庆市长江经济带发展负面清单实施细则(试行,2022年版)》要求,禁止在合规园区外新建、扩建焦化项目。支持现有长流程钢铁企业发展焦化,实现生产环节物料平衡;支持发展绿色低碳新技术、新能源焦炭等。鼓励优先置换污染物排放量大、能效水平低、安全风险高、设备工艺技术落后的产能,大力推进建设项目超低排放改造。
四川省焦化行业产能置换实施细则
第一章总则
第一条为贯彻落实国家发展改革委等10部门《关于印发〈“十四五”全国清洁生产推行方案〉的通知》(发改环资〔2021〕1524号)要求,切实做好焦化行业产能置换工作,结合我省焦化行业发展新形势,制定本细则。
第二条本细则适用于四川省辖区内各类所有制焦化企业建设焦炉的项目。焦化企业建设焦化项目核准(备案)前,须制定和公示公告产能置换方案。
第三条等量置换是指建设产能(干全焦)等于退出产能(干全焦);减量置换是指建设产能(干全焦)小于退出产能(干全焦);置换比例是指退出产能(干全焦)与建设产能(干全焦)之比。
第四条全省严禁违规新增焦化产能。严格落实《四川省、重庆市长江经济带发展负面清单实施细则(试行,2022年版)》要求,禁止在合规园区外新建、扩建焦化项目。支持现有长流程钢铁企业发展焦化,实现生产环节物料平衡;支持发展绿色低碳新技术、新能源焦炭等。鼓励优先置换污染物排放量大、能效水平低、安全风险高、设备工艺技术落后的产能,大力推进建设项目超低排放改造。
第二章装备产能
第五条用于产能置换的焦炉设备须取得核准(备案)、环评、安评、能评等相关手续。列入淘汰落后任务产能、已退出产能(已完成置换公示公告的除外)、未重组或未清算的僵尸产能以及已批复未建成产能,不得用于产能置换(政策性关停的合法合规有效产能,其产能指标保留,可用于产能置换)。置换过程中退出的产能数量,按照核准(备案)批复文件核定,对已批复未建成的产能,在核算过程中要扣除。
第三章置换比例
第六条置换过程中,根据实际情况,可采取等量或者减量置换。置换项目不得建设《产业结构调整指导目录(2019年本)》中所列限制类、淘汰类装备、工艺等。
第四章置换退出

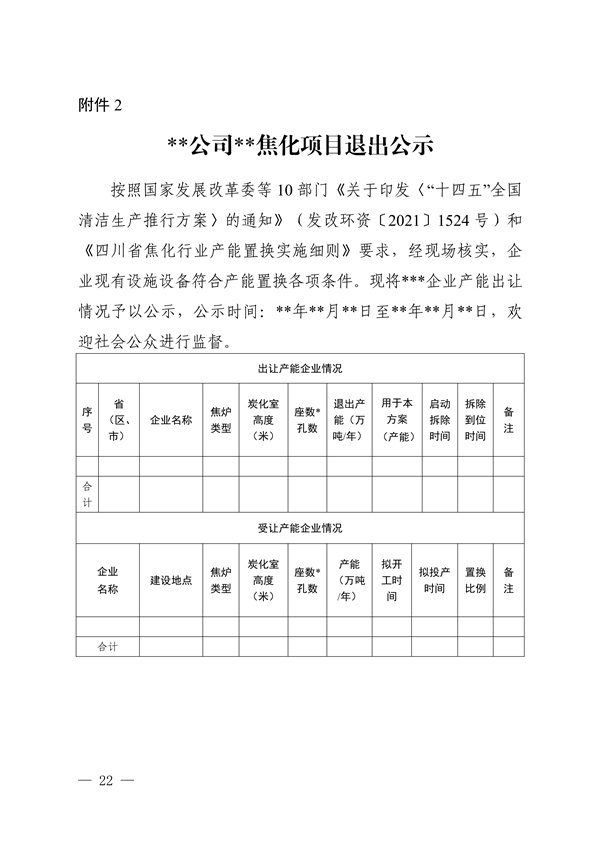
第七条企业根据实际情况,向所在地市级经济和信息化主管部门提出退出申请。市级经济和信息化主管部门受理后,进行初审,对符合要求的,在门户网站公示,公示时间不低于5个工作日,公示无异议后,将相关情况报经济和信息化厅。经济和信息化厅受理后,根据实际情况开展现场核实,核实无异议后,在门户网站进行公示,公示时间不低于10个工作日,公示无异议后,进行公告。
第八条退出项目所需资料。包含退出项目及公示情况;建设项目可行性研究报告;退出项目核准(备案)、环评、安评、能评等佐证资料;退出项目企业按期拆除用于置换退出设备的承诺书;退出项目所在地市级人民政府书面意见。
第五章置换建设
第九条建设设备由退出产能数量按照《常规焦炉单孔年产焦炭产量参考表》核算。企业根据实际情况,向所在地市级经济和信息化主管部门提出建设申请。市级经济和信息化主管部门受理后,进行初审,对符合要求的,在门户网站公示,公示时间不低于5个工作日,公示无异议后,将相关情况报经济和信息化厅。经济和信息化厅受理后,根据实际情况开展现场核实,核实无异议后,在门户网站进行公示,公示时间不低于10个工作日,公示无异议后,进行公告。
第十条建设项目所需资料。包含建设项目及公示情况;建设项目可行性研究报告书;建设项目所在地市级人民政府书面意见;跨省置换建设项目,须提供转出方所在地省级工业和信息化主管部门出具的退出产能公示公告。
第六章项目验收
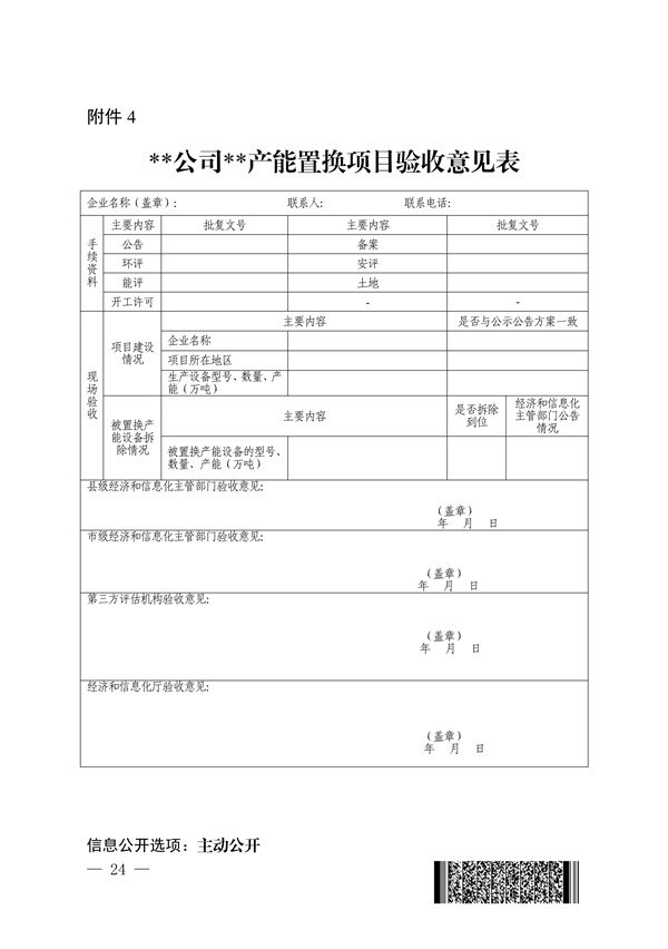
第十一条企业根据新建项目建设进度、退出项目拆除情况等,向所在地市级经济和信息化主管部门提出验收申请,市级经济和信息化主管部门受理后,组织开展初步验收,并报请经济和信息化厅复核验收。经济和信息化厅组织具有相关专业甲级资信等级的工程咨询单位开展现场验收,重点核实新建装备型号、数量、产能等信息与已公告产能置换方案的一致性,退出产能设备拆除情况等。对验收合格的,现场出具初步验收意见;并组织各级填写置换项目验收意见。对建设项目与置换公告方案不一致的,责成市级经济和信息化主管部门监督整改,整改到位后,再进行验收。
第十二条项目验收所需资料。
(一)建成项目。建成项目公告、核准(备案)、环评、安评、能评、用地规划、施工许可等文件,焦炉等设备采购合同,企业严格按照公告方案建设及不擅自改建的书面承诺。
(二)退出项目。被置换产能设备拆除公示、公告、照片(视频)以及企业永不恢复生产承诺等资料。
第十三条产能置换方案已公告,但建设项目因故未实施的,建设项目企业须向市级经济和信息化主管部门提出,经市级经济和信息化主管部门核实,可报请撤销项目产能置换方案,经济和信息化厅复核并向社会公告后,产能指标可继续转让。对建设项目地址、企业名称发生变化的产能置换方案,建设项目企业须向市级经济和信息化主管部门提出,经市级经济和信息化主管部门核实,可报请变更,经济和信息化厅复核审核后及时在厅门户网站作出说明。对项目建设内容(规模)和置换退出设备等发生变更的置换方案应按程序重新置换,变更后的产能置换方案公告时,原产能方案同时撤销。
第七章监督落实
第十四条企业要落实主体责任,不得在未落实产能置换、核准(备案)、环评、安评、能评等要求前,擅自新(改、扩、迁)建主体设备。对未落实相关手续前,擅自新(改、扩、迁)建的,企业要依法承担有关责任及后果。

第十五条县级经济和信息化主管部门要落实属地管理责任,要建立健全监测机制,加强日常监管,杜绝项目验收完成后,企业擅自改(扩)建主体设备,违规新增焦化产能等行为。对发现违规新增焦化产能等违法违规行为的,报县级人民政府,
按照《企业投资项目核准和备案管理条例》(国务院令673号)《企业投资项目核准和备案管理办法》(国家发展改革委令第2号)《企业投资项目事中事后监管办法》(国家发展改革委令第14号)等进行处罚和整改。
第十六条市级经济和信息化主管部门要落实属地监管责任,监督企业按照公示公告的产能置换方案进行建设,确保置换项目批建相符;要负责辖区内退出项目设备拆除工作,退出项目拆除完成后,要在门户网站进行公示,公示时间不少于5个工作日,公示无异议后,对省内置换退出项目直接公告退出情况,对跨省置换退出项目报经济和信息化厅公示公告退出情况,接受社会监督,确保不新增焦化产能。对发现违规新增焦化产能等违法违规行为的,责令县级经济和信息化主管部门迅速整改到位。
第十七条经济和信息化厅将根据实际情况组织抽查产能置换方案执行情况,对弄虚作假、批建不符,特别是批小建大等违法违规行为的企业,责令地方政府督促其限期整改,情节严重的,依据有关规定,通报其不守诚信行为,并会同相关部门实施联合惩戒。
第十八条对已履行产能置换的项目,具备建设条件的,继续推进实施;需要进行变更的,由市级经济和信息局核实后,在门户网站作说明,但产能总量不得增加。对国家明确要求进行置换的时间段:2014年3月3日至2020年6月11日、2021年10月29日以后核准(备案)的新(改、扩、迁)建焦化项目,均须落实产能置换政策;对未落实产能置换政策的项目,市级经济和信息化局要于2023年12月31日前,自行组织力量,开展现场核查核实工作,并完成项目置换公示公告。
注:1.2014年3月3日至2020年6月11日为《焦化行业准入条件(2014年修订)》(工信部2014年第14号公告)明确要求进行产能置换的时间。
2.2021年10月29日以后为国家发展改革委等10部门《关于印发〈“十四五”全国清洁生产推行方案〉的通知》(发改环资〔2021〕1524号)要求进行产能置换的时间。
本细则自印发之日起施行,有效期5年,并根据产业发展情况适时修订。国家有新要求的,按新要求执行。



