四川省经济和信息化厅印发《四川省钢铁行业产能置换实施细则》,置换比例不低于1.25:1。为鼓励企业兼并重组,提高产业集中度,对完成实质性兼并重组后取得的合规产能用于项目建设时,置换比例可以不低于1.1:1。
全省严禁违规新增钢铁产能,禁止在合规园区外新建、扩建钢铁冶炼项目。鼓励依托资源、能源、技术优势,发展钒钛钢铁产品;支持发展全废钢及钒钛磁铁矿渣钢铁电炉短流程炼钢,探索绿色、智能、创新、高效、协调的发展模式,助力钢铁行业绿色低碳转型和高质量发展。鼓励优先置换污染物排放量大、能效水平低、安全风险高、设备工艺技术落后的产能,建设项目应满足污染物超低排放要求。
四川省钢铁行业产能置换实施细则
第一章总则
第一条为推进全省钢铁工业布局优化、结构调整和转型升级,建立健全钢铁行业长效管控机制,根据《工业和信息化部关于印发钢铁行业产能置换实施办法的通知》(工信部原〔2021〕46号)要求,结合我省钢铁产业发展实际,制定本实施细则。
第二条本细则适用于四川省辖区内各类所有制钢铁企业建设炼铁、炼钢冶炼设备的项目。建设项目核准(备案)前,须制定和公示公告产能置换方案。
第三条本细则所称的等量置换是指建设产能等于退出产能;减量置换是指建设产能小于退出产能;置换比例是指退出产能与建设产能之比。
第四条全省严禁违规新增钢铁产能,禁止在合规园区外新建、扩建钢铁冶炼项目。鼓励依托资源、能源、技术优势,发展钒钛钢铁产品;支持发展全废钢及钒钛磁铁矿渣钢铁电炉短流程炼钢,探索绿色、智能、创新、高效、协调的发展模式,助力钢铁行业绿色低碳转型和高质量发展。鼓励优先置换污染物排放量大、能效水平低、安全风险高、设备工艺技术落后的产能,建设项目应满足污染物超低排放要求。
第二章装备产能
第五条用于产能置换的冶炼设备须在2016年国务院国资委、四川省人民政府上报国务院备案去产能实施方案的钢铁行业冶炼设备清单内,2016年及以后建成的合法合规冶炼设备也可用于产能置换。列入钢铁去产能任务的产能、享受奖补资金支持的退出产能、“地条钢”产能、落后产能、未重组或未清算的僵尸企业产能、铸造和铁合金等非钢铁行业冶炼设备产能,不得用于置换。
第六条置换过程中的退出产能数量,按照国务院国资委、2016年省级人民政府上报国务院备案去产能实施方案的钢铁行业冶炼设备清单内产能数量核定;对2016年及以后建成的合法合规冶炼设备,退出产能数量按照《产能核算表》进行核定。
第三章置换比例
第七条置换比例不低于1.25:1。为鼓励企业兼并重组,提高产业集中度,对完成实质性兼并重组(实现实际控股且完成法人或法人隶属关系、股权关系、章程等工商变更)后取得的合规产能用于项目建设时,置换比例可以不低于1.1:1。
第八条以下五种情形可实施等量置换。
(一)企业内部退出转炉建设电炉且一并退出配套的烧结、焦炉、高炉等设备项目的炼钢产能。

(二)退出和建设冶炼设备均为电炉的项目。
(三)不改变冶炼设备类型、容量(积)、数量的厂区内部技术改造项目。
(四)退出配套烧结、焦炉、高炉等设备建设氢冶金和Corex、Finex、HIsmelt等非高炉炼铁项目的炼铁产能。
(五)对利用回转窑-矿热炉-AOD炉工艺生产不锈钢的炼钢产能。
第四章置换退出
第九条同一冶炼设备产能原则上不得拆分出让,确有必要拆分的,最多不超过2家受让企业。对同一冶炼设备产能出让至不同企业的,产能出让方应明确所有产能受让方,在产能出让公告、产能置换方案公告中一并列明,对暂不能明确受让方的产能须说明原因。
第十条企业根据实际情况,向所在地市级经济和信息化主管部门提出退出申请。市级经济和信息化主管部门受理后,进行初审,对符合要求的,在门户网站公示(见附件2),公示时间不低于5个工作日,公示无异议后,将相关情况报经济和信息化厅。经济和信息化厅受理后,根据实际情况开展现场核实,核实无异议后,在门户网站进行公示,公示时间不低于20个工作日,公示无异议后,进行公告。
第十一条退出项目所需资料。包含退出项目情况及公示情况;退出项目核准(备案)、环评、安评、能评等佐证资料;退出项目企业按期拆除用于置换退出设备的承诺书;退出项目所在地市级人民政府书面意见。
第五章置换建设
第十二条建设炼铁、炼钢产能均须分别实施产能置换,建设设备由退出产能数量按照《产能核算表》核定容积。企业根据实际情况,向所在地市级经济和信息化主管部门提出置换申请。市级经济和信息化主管部门受理后,进行初审,对符合要求的,在门户网站公示(见附件3),公示时间不低于5个工作日,公示无异议后,将相关情况报经济和信息化厅。经济和信息化厅受理后,根据国家发展改革委《关于钢铁冶炼项目备案管理的意见》(发改产业〔2021〕594号)要求,由省淘化脱办组织省直有关部门和具有冶金专业甲级资信等级的工程咨询单位开展评估,评估通过评审后,在门户网站公示,公示时间不低于20个工作日,公示无异议后,进行公告。
第十三条产能置换方案已公告,但建设项目因故未实施的,建设项目企业须向市级经济和信息化主管部门提出,经市级经济和信息化主管部门核实,可报请撤销项目产能置换方案,经济和信息化厅复核并向社会公告后,产能指标可继续转让。对建设项目地址、企业名称发生变化的产能置换方案,建设项目企业须向市级经济和信息化主管部门提出,经市级经济和信息化主管部门核实,可报请变更,经济和信息化厅复核审核后及时在厅门户网站作出说明。对项目建设内容(规模)和置换退出设备等发生变更的置换方案应按程序重新置换,变更后的产能置换方案公告时,原产能方案同时撤销。
第十四条企业建设脱磷转炉须履行产能置换。建设非高炉炼铁、提钒转炉、回转窑-矿热炉(RKEF)等设备,产能核定须逐级上报工业和信息化部“一事一议”确认。工业和信息化部批复同意后,履行建设项目置换工作程序。
第十五条建设项目所需资料。包含建设项目情况及公示情况;建设项目可行性研究报告;建设项目所在地市级人民政府书面意见;跨省置换建设项目,须提供转出方所在地省级工业和信息化主管部门出具的退出产能公示公告。
第六章项目验收
第十六条建设项目投产前(含试生产)须拆除用于置换的退出设备,使其不具备恢复生产条件。对同一台冶炼设备的产能拆分出让的情形,建设项目投产时间以第一个实际建成投产项目的时间为准,相关设备须按要求拆除到位。对于确需保留冶炼设备的特殊情形,如用于工业遗址公园等,须报请工业和信息化部“一事一议”提出处理意见。
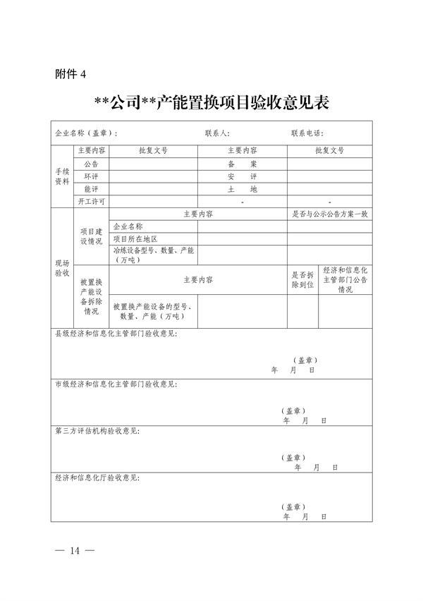
第十七条企业根据新建项目建设进度、退出项目拆除情况等,向所在地市级经济和信息化主管部门提出验收申请,市级经济和信息化主管部门受理后,组织开展初步验收,并报请经济和信息化厅复核验收。经济和信息化厅组织具有冶金专业甲级资信等级的工程咨询单位开展现场验收,重点核实新建装备型号、数量、产能等信息与已公告产能置换方案的一致性,退出产能设备拆除情况等。对验收合格的,现场出具初步验收意见;并组织各级填写置换项目验收意见表(见附件4)。对建设项目与置换公告方案不一致的,责成市级经济和信息化主管部门监督整改,整改到位后,再进行验收。

第十八条项目验收所需资料。
(一)建成项目。建设项目公告、核准(备案)、环评、安评、能评、用地规划、施工许可等文件,炼铁、炼钢、精炼、连铸、连轧等设备采购合同,企业严格按照公告方案建设及不擅自改建的书面承诺。
(二)退出项目。被置换产能设备拆除公示、公告、照片(视频)以及企业永不恢复生产承诺等资料。
第七章监督落实
第十九条企业要落实主体责任,不得在未落实产能置换、核准(备案)、环评、安评、能评等要求前,擅自新(改、扩、迁)建主体设备。对未落实相关手续前,擅自新(改、扩、迁)的,企业要依法承担有关责任及后果。
第二十条县级经济和信息化主管部门要落实属地管理责任,要建立健全监测机制,加强日常监管,杜绝项目验收完成后,企业擅自改(扩)建主体设备,违规新增钢铁产能。对发现违规新增钢铁产能等违法违规行为,报县级人民政府,按照《企业投资项目核准和备案管理条例》(国务院令673号)《企业投资项目核准和备案管理办法》(国家发展改革委令第2号)《企业投资项目事中事后监管办法》(国家发展改革委令第14号)等进行处罚和整改。
第二十一条市级经济和信息化主管部门要落实属地监管责任,监督企业按照公示公告的产能置换方案进行建设,确保置换项目批建相符;要负责辖区内退出项目设备拆除工作,退出项目拆除完成后,要在门户网站进行公示,公示时间不少于5个工作日,公示无异议后,对省内置换退出项目直接公告退出情况,对跨省置换退出项目报经济和信息化厅公示公告退出情况,接受社会监督,确保不新增钢铁产能。对发现违规新增钢铁产能等违法违规行为的,责令县级经济和信息化主管部门迅速整改到位。
第二十二条经济和信息化厅将根据实际情况组织抽查产能置换方案执行情况,对弄虚作假、批建不符,特别是批小建大等违法违规行为的企业,责令地方政府督促其限期整改,情节严重的,依据有关规定,通报其不守诚信行为,并会同相关部门实施联合惩戒。
本细则自印发之日起施行,有效期5年,并根据产业发展情况适时修订。国家有新要求的,按新要求执行。





