北极星环保网获悉,5月18日,生态环境部发布关于报送2022年度生态文明建设示范区(生态工业园区)建设评价报告的通知,为推进有关工作,按照相关管理办法规定,请督促指导你省(自治区、直辖市)获得命名和获批开展示范创建的园区按要求提交2022年度生态工业园区建设评价报告(大纲见附件)。请汇总你省(自治区、直辖市)相关园区建设评价报告(需加盖园区管理机构公章),于2023年6月30日前报送至国家生态工业示范园区建设协调领导小组办公室(生态环境部科技与财务司),电子版发送至联系人邮箱。
关于报送2022年度生态文明建设示范区(生态工业园区)建设评价报告的通知
有关省、自治区、直辖市生态环境厅(局):
生态文明示范创建是贯彻落实习近平生态文明思想的重要平台,生态工业园区是生态文明示范创建的重要内容之一,生态工业园区为工业碳减排发挥了重要作用,已成为构建绿色低碳循环经济体系、促进经济社会发展全面绿色转型的重要抓手。
为推进有关工作,按照相关管理办法规定,请督促指导你省(自治区、直辖市)获得命名和获批开展示范创建的园区按要求提交2022年度生态工业园区建设评价报告(大纲见附件)。请汇总你省(自治区、直辖市)相关园区建设评价报告(需加盖园区管理机构公章),于2023年6月30日前报送至国家生态工业示范园区建设协调领导小组办公室(生态环境部科技与财务司),电子版发送至联系人邮箱。
联系人:生态环境部科技与财务司 王帅
电话:(010)65645386
邮箱:wang.shuai@mee.gov.cn
地址:北京市东城区东长安街12号
邮编:100006
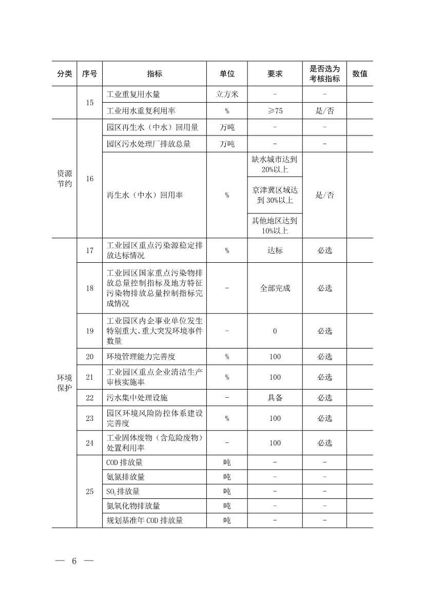
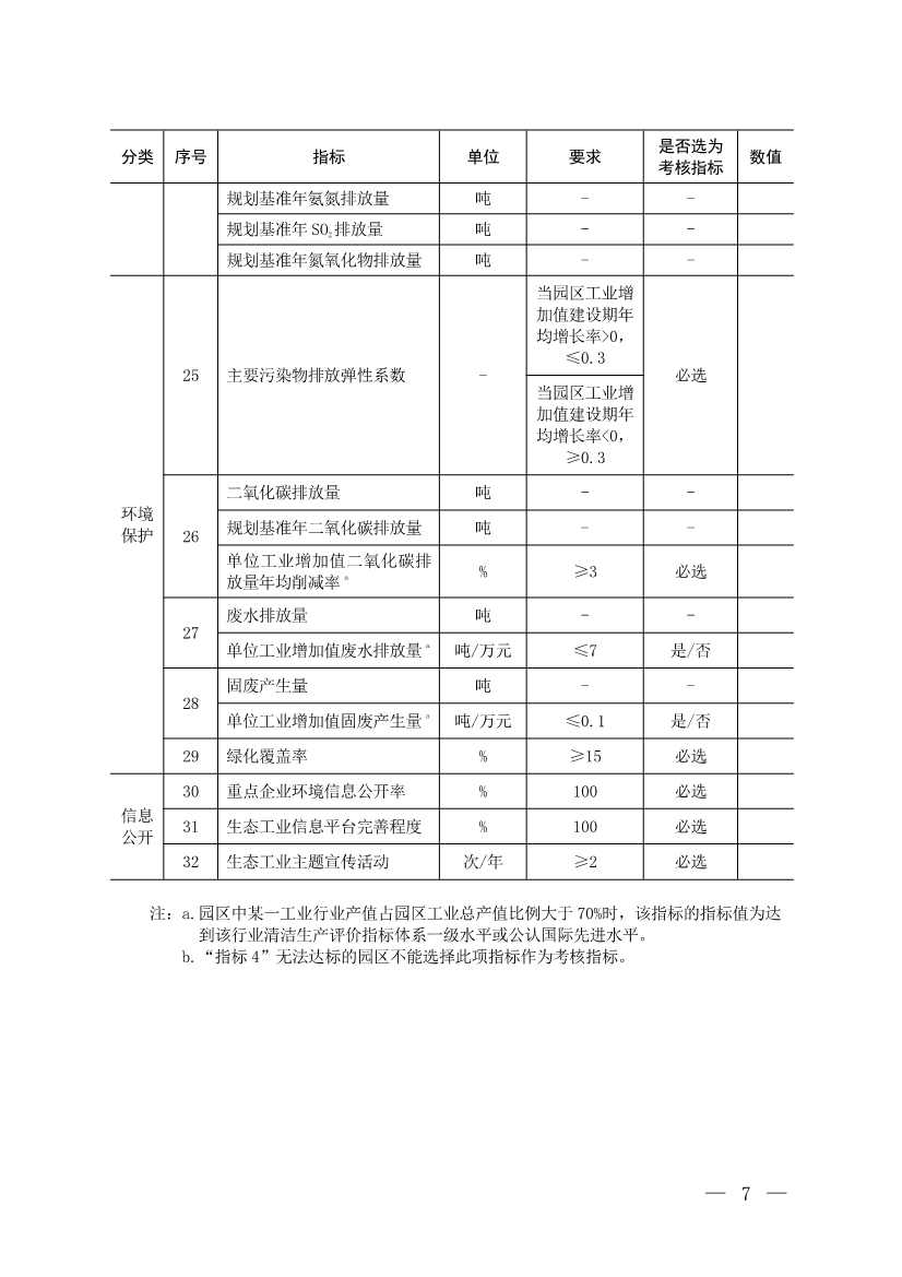
附件:生态文明建设示范区(生态工业园区)建设评价报告大纲
国家生态工业示范园区建设协调领导小组办公室
(生态环境部科技与财务司代章)
2023年5月11日
(此件社会公开)




